

品牌:法士威
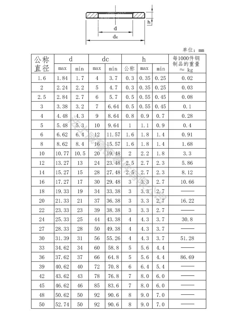
名称:GB848碳钢小平垫
标准:GB848
材质:碳钢
作用:
平垫,主要是用铁板冲压出来的,形状一般是一个平垫圈,中间有一个孔。这个孔大小规格一般都是根据客户要求来定的。
平垫圈通常是各种形状的薄件,用于减少摩擦、防止泄漏、隔离、防止松脱或分散压力。 许多材料和结构中都有这种部件,用于履行各类相似的功效。受螺纹紧固件的材料与工艺限制,螺栓等紧固件的支承面不大,因此为减小承压面的压应力保护被连接件的表面,其采用垫圈。 为防止连接副的松动采用防松的弹簧垫圈和多齿形锁紧垫圈、圆螺母止动垫圈以及鞍形、波形、锥形弹性垫圈。
平垫圈主要用于减小压强,当有的部位拧紧轴向力很大时,易使垫圈压成碟形,这时可改用材料和提高硬度来解决。



![]() | ![]() | ![]() | ![]() |



![]() | ![]() | ![]() | ![]() |
汽车行业 AUTOMOBILE INDUSTRY | 机械行业 MACHINERY INDUSTRY | 电子行业 ELECTRONIC INDUSTRY | 建筑行业 ACHITECHIVE |

![]() | ![]() |





阿里巴巴
淘宝
















